کمپرسور پیستونی کوپلند 4DJ-3000
محدوده‌ی عملکردی کمپرسور کوپلند 30 اسب بخار
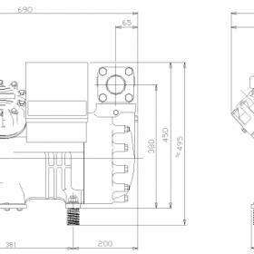
ابعاد کمپرسور کمپرسور کوپلند 30 اسب بخار
Brand Image

کمپرسور پیستونی کوپلند 30 اسب بخار سه فاز (4DJ-3000)

  • سازگار با مبرد R22
  • 30 اسب بخار
  • سه فاز
  • ساخت چک
  • زیر و بالای صفری

مشخصات فنی محصول

توان اسمی (اسب بخار)

30

سری

DISCUS

بازه دمایی (C)

۲۵- تا ۱۲/۵+

روغن

مینرال (سانیسو 3GS)

حجم روغن (لیتر)

3.3

ظرفیت جابه جایی (متر مکعب بر ساعت)

84.7

بیشترین آمپر مصرفی

52.5

سایز اتصال مکش (اینچ)

1/8 2

سایز اتصال دهش (اینچ)

3/8 1

وزن (کیلوگرم)

230

کشور سازنده

چک

تعداد سیلندر

4

رنگ

مشکی

برق

سه فاز

برند

کوپلند

نوع کمپرسور کوپلند

سمی هرمتیک پیستونی

سری کمپرسور پیستونی کوپلند

دیسکاس

گاز مبرد

R22

مـــعــــرفــی مــحـصــول

معرفی کمپرسور کوپلند 30 اسب بخار

در معرفی کمپرسور کوپلند 30 اسب بخار می‌توان گفت که این مدل از نوع دیسکاس و سمی هرمتیک است و با برق سه فاز عملکرد دارد. از دیگر مشخصات فنی آن می‌توان اشاره کرد که دارای چهار سیلندر است و در گستره دمایی 25- تا  12.5 درجه‌سانتی گراد کار می‌کند. همچنین کمپرسور پیستونی کوپلند  4DJ-3000 با روغن مینرال و گاز R22 کار می‌کند. کمپرسور کوپلند پیستونی ساخت کشور چک است.

این کمپرسور برای دماهای متوسط کندانس توسط شرکت کوپلند طراحی شده است و در گستره‌ی دمایی زیر صفر و بالای صفر به کارمی‌آید. در معرفی شرکت کوپلند باید گفت که یکی از زیر مجموعه‌های شرکت امرسان است و شرکت امرسان محصولات خود را در کشورهای مختلفی تولید می‌کند.

کمپرسورهای پیستونی کوپلند در گذشته تحت عنوان DWM و در کشور آلمان تولید می‌شدند. در‌حال حاضر کمپرسورهای کوپلند در کشور آمریکا و چک تولید می‌شوند. کمپرسور سمی هرمتیک پیستونی 4DJ-3000  کوپلند جایگزین مدل قدیمی D4DJ-3000  و تولید کشور چک است.

متعلقات استاندارد و نوع بسته بندی کمپرسور 30 اسب کوپلند

پایه‌ی نگهدارنده و شیر مکش و دهش تجهیزاتی هستند که به همراه کمپرسور پیستونی کوپلند  4DJ-3000 به صورت استاندارد و رایگان به مشتریان تحویل داده‌ می‌شود. شرکت دامون کمپرسورهای پیستونی خود را به صورت کارتن شده و بر روی پالت چوبی به خریداران تقدیم می‌کند.

اصالت و گارانتی کمپرسور

تمام کمپرسورهای پیستونی کوپلند در شرکت دامون از جمله کمپرسور پیستونی کوپلند  4DJ-3000 در کشور چک تولید می‌شوند و ساخت شرکت کوپلند هستند.

راهنمای استفاده از کمپرسور که توسط شرکت کوپلند تهیه شده است، همراه با کمپرسور به خریداران داده‌ می‌شود. همچنین ما درنظر داریم تا مشتریان با خیالی مطمئن از کمپرسور خود بهره‌ببرند، به همین علت شرکت دامون تمامی مدل‌های کمپرسور پیستونی کوپلند از جمله کمپرسور پیستونی کوپلند  4DJ-3000 را به مدت یکسال گارانتی تعمیر می‌کند. این‌ یعنی در صورت ایجاد هرگونه خرابی یا مشکل برای کمپرسور، ما کمپرسور را به صورت رایگان برایتان تعمیر می‌نماییم. برای داشتن اطلاعات بیشتر در این خصوص می‌توانید دستورالعمل گارانتی کمپرسور کوپلند دامون را بخوانید.

شرکت دامون امکان بازگشت کمپرسور را تا مدت هفت روز پس از خرید و قبل از نصب برای مشتریان در نظر گرفته است تا مشتریان از اصالت کالای خریداری شده‌ی خود مطمئن باشند.

مطالعه بیشتر

نیاز به مشاوره دارید؟ با کارشناس ما در ارتباط باشید

در حال بارگذاری...
bale-logo 9204014006