کمپرسور اسکرال کوپلند ZR28 سه فاز
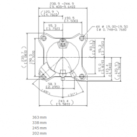
ابعاد کمپرسور اسکرال کوپلند ZR28 سه فاز
محدوده‌ی عملکردی کمپرسور اسکرال کوپلند zr28 سه فاز
Brand Image

کمپرسور اسکرال کوپلند ZR28K3E سه فاز

  • 2.5 اسب بخار
  • سه فاز
  • سازگار با مبردهای R22, R134a, R407C
  • استفاده از روغن‌های پلی‌ال‌استر (POE)
  • ساخت تایلند

مشخصات فنی محصول

توان اسمی (اسب بخار)

2.5

کشور سازنده

تایلند

روغن

پلی ال استر

وزن (کیلوگرم)

25

ظرفیت جابه جایی (متر مکعب بر ساعت)

6.8

برق

سه فاز

بیشترین آمپر مصرفی

5.1

سایز اتصال مکش (اینچ)

3/4

سایز اتصال دهش (اینچ)

1/2

برند

کوپلند

نوع کمپرسور کوپلند

اسکرال

سری کمپرسور اسکرال کوپلند

ZR

گاز مبرد

R134a, R22, R407c

مـــعــــرفــی مــحـصــول

معرفی کمپرسور اسکرال کوپلند ZR28 سه فاز

کمپرسور اسکرال کوپلند ZR28 از کمپرسورهای سری ZR کوپلند است. این مدل از جمله پرکاربردترین کمپرسور های مورد استفاده در تهویه مطبوع و چیلر هستند. شرکت کوپلند یکی از زیرمجموعه‌های شرکت امرسان آمریکا است. این شرکت محصولات خود را در طیف گسترده‌ای از کشورها مانند تایلند تولید می‌کند. کمپرسور کوپلند اسکرال برای کاربردهای دمای متوسط و بالا یعنی دمای -25°C تا +10°C در نظر گرفته می‌شود و برای سیستم‌های با زمان عملکرد طولانی ایده‌آل است. در ایران، کمپرسور اسکرال از جمله کمپرسور اسکرال کوپلند ZR28 در بسیاری از سیستم‌های تهویه مطبوع مورد استفاده قرار گرفته است و با توجه به سابقه طولانی تولید، این نوع کمپرسور قابلیت اعتماد بالایی بین مصرف کنندگان دارد.

مهم‌ترین مشخصات فنی کمپرسور کوپلند ZR28 به شرح مورد ذکر است: حجم جابجایی ۶.۸ متر مکعب بر ساعت، توان اسمی ۲.۵ اسب بخار. کمپرسور اسکرال ZR28 به کمپرسور سه گاز معروف است و می‌تواند با گازهای R22، R134a و R407C مورد کارکرد قرار گرفته شود. روغن این کمپرسور از نوع پلی ال استر (POE)، ساخت کشور تایلند و سه فاز است.

جهت کسب اطلاع از تفاوت‌های کمپرسور اسکرال کوپلند مدل ZR28K3E-TFD با ZR28K3E–PFJ، ZR28K3E-TFD و ZR28KC-TFD مطالعه مقاله‌ نحوه نامگذاری کمپرسور اسکرال کوپلند توصیه می‌گردد. همچنین برای آشنایی با تفاوت سه رقم آخر کد کمپرسور اسکرال کوپلند مطالعه‌ی مقاله مذکور می‌تواند مفید باشد.

متعلقات استاندارد کمپرسور اسکرال ZR28

از متعلقات همراه کمپرسور اسکرال کوپلند ZR28، تنها پایه لرزه گیر به صورت استاندارد و رایگان همراه کمپرسور است و باقی موارد بنا به درخواست مشتری به صورت جداگانه به فروش می‌رسند. از جمله این موارد می‌توان به موارد زیر اشاره کرد:

  • هیتر کمربندی
  • شیر مکش و دهش
  • تبدیل جوشی به مهره ای برای مدل های جوشی

 سلامت و اصالت کمپرسور

اطمینان از سلامت و اصالت کالا می‌تواند به خریدار برای تصمیم‌گیری کمک شایانی نماید. شرکت دامون جهت اطمینان از سلامت کمپرسور اسکرال کوپلند ZR28 انجام تست برق را پیشنهاد می‌دهد. به علاوه، دامون تضمین می‌کند تمامی کمپرسورهای اسکرال کوپلند موجود ساخت کشور تایلند است و چنانچه خلاف آن محرز گردد امکان بازگشت کالا قبل از نصب برای خریدار فراهم شده است. برای تشخیص سال ساخت کمپرسور مطالعه‌ی مقاله تعیین سال ساخت کمپرسور اسکرال کوپلند پیشنهاد می‌شود.

مطالعه بیشتر

نـــظــــرات کــاربـــران

اولین نفری باشید که دیدگاهی را ارسال می کنید برای “کمپرسور اسکرال کوپلند ZR28K3E سه فاز”

نشانی ایمیل شما منتشر نخواهد شد. بخش‌های موردنیاز علامت‌گذاری شده‌اند *

هیچ دیدگاهی برای این محصول نوشته نشده است.

نیاز به مشاوره دارید؟ با کارشناس ما در ارتباط باشید

در حال بارگذاری...
09204014002